X
型号:RSM0412-AA
产品特点:
1、通光孔大,夜视效果好;
2、像面清晰,无紫边;
2、4K高清无畸变镜头;
3、支持4K高清摄像机;
4、支持红外,高解像力;
5、全天候24小时监控;
主要特征:
焦距(毫米): 4.0mm
靶面: 1/1.8"
相对孔径: F2.8
视场角: 92.4°×74.5°×54°
接口: AA接口
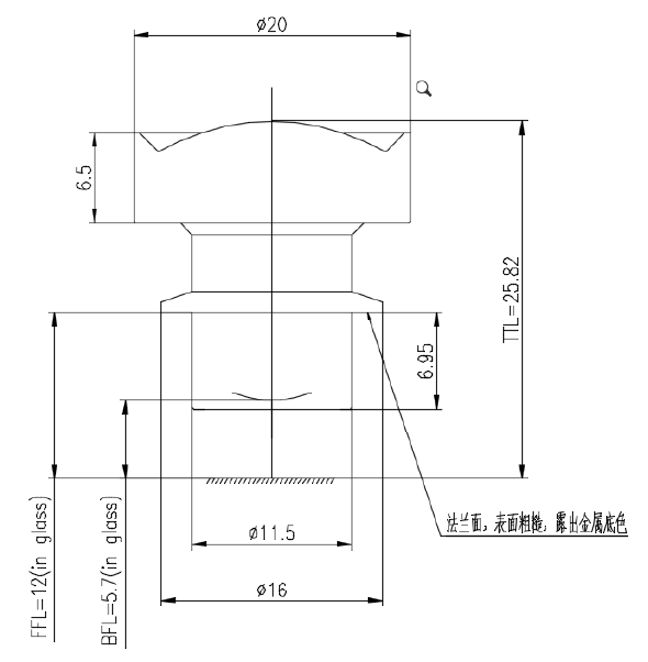
外形尺寸(毫米): Φ20*25.82
操作温度 -30℃-85℃
后焦距 (毫米): 5.47±0.2
重量(克): 10克
操作方法: 定焦,固定光圈
产品优势:
终生维护。
运输快捷。
OEM/ODM。
CE/FCC/ROHS 认证。
高等级产品质量控制,三道检测工序,实拍,MTF,灯像检测,不良率低于千分之一。
图像清晰, 高品质。
价格优惠
库存充足。
产品应用: 适用于所有主流品牌监控摄像机,包含AHD,TVI,CVI,IPC 网络摄像机。
详细参数:

镜头尺寸:

没有演示视频