X
型号:CH0144A
产品特点:
1、通光孔大,夜视效果好;
2、像面清晰,无紫边;
3、多角度全景镜头;
4、支持MP/2MP/3MP高清摄像机;
5、支持近经外光;
6、全天候24小时监控;
主要特征:
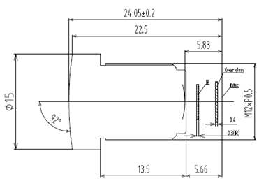
焦距(毫米): 1.44mm
靶面: 1/2.7"
相对孔径: F2.3
视场角: 184°×184°×81°
接口: M12*0.5-6g
外形尺寸(毫米): Φ15*19.16
操作温度 -40℃~+80℃
后焦距 (毫米): 5.83
重量(克): 15克
操作方法: 定焦,固定光圈
产品优势:
终生维护。
运输快捷。
OEM/ODM。
CE/FCC/ROHS 认证。
高等级产品质量控制,三道检测工序,不良率低于千分之一。
适配于市面上所有IR-CUT以及各种高清芯片,兼容性特别好。
图像清晰, 高品质。
价格优惠
库存充足。
产品应用: 适用于所有主流品牌监控摄像机,包含AHD,TVI,CVI,IPC 网络摄像机。

镜头尺寸图:

没有演示视频